
Muy buenas amigos, aquí ando trabajando un poquito para el blog para que el Lunes al conectaros tengáis alguna novedad en el sitio y para empezar la semana lo haré con un vídeo sencillo de introducción al Monitor de rendimiento de Windows Server 2008 r2 con el fin de que todos los que no lo conozcan lo puedan descubrir y puedan introducirse a el junto conmigo, ya que para mi es también un gran desconocido…
En este primer vídeo vamos a ver muy básicamente que es el monitor de rendimiento como actúa y como configurarlo para una toma de datos rápida, vamos lo que se conoce como una Quick Start Guide! en la que sin conocer nada de este podremos ver como configurar algunos parámetros de una forma muy rápida, vamos con una primera imagen.

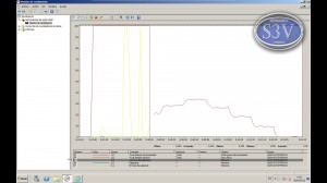
Esta imagen muestra el monitor de rendimiento en acción y un poco atareado, como vemos son varios los parámetros que podemos manejar y esto es algo que tendremos que “practicar” bastante hasta que podamos decidir cuales nos podrán servir mejor para cada situación.
Antes de seguir con una segunda imagen diré que estos parámetros a los que me refiero pueden mostrar valores referentes a:
Uso de disco duro
Uso de memoria
Uso de procesador
Servicios
O muchos otros como podremos comprobar por nosotros mismos, bien, estos valores o parámetros se denominan “contadores” y podremos agregar o eliminar estos según nuestras necesidades. Pero antes de seguir con otra imagen no puedo irme sin comentar que aunque yo he citado 4 contadores debo destacar que estos se subdividen en muchos otros parámetros como errores de escritura, escrituras, lecturas, porcentajes de uso, porcentajes de tiempo inactivo etc etc etc…
Vamos ahora con una segunda imagen.

Aquí podemos ver una diferencia con respecto a la imagen anterior y es que uno de los contadores se muestra con una linea negra más gruesa que nos ayuda a identificarla, bien, esta es una función que cuando trabajamos con muchos parámetros nos ayudará a realizar un seguimiento más cómodo y preciso de uno de los contadores, pero bien, creo que lo mejor es que vayamos con el vídeo.
Y bueno amigos, aunque es un artículo un poco “torpe” espero que os guste y a muchos los acerque a esta característica que prometo seguir investigando y ampliando en los próximos días.
Los comentarios están cerrados.